
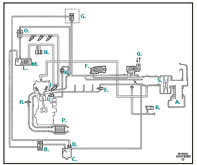
| A.= komora rezonacyjna B.= zawór dwudrożny C.= filtr węglowy D.= zawór membranowy regeneracji oparów paliwa E.= czujnik temperatury powietrza F.= mechaniczny zawór nastawczy biegu jałowego G.= zawór elektromagnetyczny regeneracji oparów paliwa H.= sonda lambda I.= czujnik temperatury chłodziwa J.= wtryskiwacz K.= zawór odpowietrzania skrzyni korbowej | L.= pompa paliwa M.= zbiornik paliwa N.= filtr paliwa O.= regulator ciśnienia paliwa P.= katalizator Q.= nastawnik biegu jałowego R.= czujnik ciśnienia atmosferycznego S.= filtr powietrza |


| A.= od filtra powietrza B.= do kolektora dolotowego C.= przepustnica D.= oś przepustnicy E.= cewka F.= sprężyna |

| A.= zbiornik paliwa B.= powietrze świeże C.= membrana układu regeneracji D.= zawór magnetyczny regeneracji oparów paliwa E.= zawór dwudrożny F.= filtr z węglem aktywowanym G.= do przekaźnika głównego H.= sygnały pochodzące z czujników |

| A.= kompensator detonacji B.= tłoczek synchronizacyjny A C.= tłoczek synchronizacyjny B D.= środkowa dźwignia zaworu E.= główna dźwignia zaworu F.= wtórna dźwignia zaworu | G.= zawory dolotowe H.= wałek rozrządu |




